Ваги, прилади для визначення маси тіл. Вагами називають іноді також прилади для вимірювання інших фізичних величин, перетворених для цього в силу або момент сили (наприклад, ваги Кавендіша, Кулона, струмові). Ваги широко застосовують у всіх галузях народного господарства і в наукових дослідженнях як основний засіб зважування при визначенні витрати або кількості сировини, палива , Готової продукції і т. П., З метою їх обліку, проведення хімічних, технічних і інших аналізів, контролю технологічних процесів і автоматизації управління ними і т.д.
Масу М тіла знаходять переважно уравновешиванием його сили тяжіння Р (Р =
, де
-прискорення вільного падіння в місці установки ваг) або моменту цієї сили, що діють на вимірювальну (рухому) частина ваг, відомої протидіє, або врівноважує, силою (моментом). При найбільш точній компенсаційному методі зважування урівноважує сила, створювана, наприклад, гирями, повертає рухому частину ваги в початкове положення рівноваги, а ваги служать компаратором (порівнює пристроєм). При прямому методі вимірювань (маса тіла приймається рівною показаннями ваги) протидіє сила виникає в результаті відхилення рухомої частини від положення рівноваги під дією сили тяжіння, що зважується тіла. У багатьох типах ваги використовують обидва методи зважування; наприклад, основна частка сили Р врівноважується гирями, а інша - відхиленням рухомої частини ваги від положення рівноваги.
За способом створення врівноважує сили ваги підрозділяють на механічні - Гірне (равноплечних і неравноплечності), квадрантні (з маятниковий уравновешивающим пристроєм, кут відхилення якого перетворюється в відхилення стрілки і служить мірою сили Р), пружинні (наприклад, торзионная, крутильні, тензометричні, магнітострикційні, виброчастотні), в яких міра сили Р - деформація пружного елемента трансформується кинематически або спец. Перетворювачами в відхилення стрілки; електронні з магнітоелектричними (взаємодія магнітних полів постійного магніту і струмового котушки), електродинамічними (полів двох котушок) або електростатичними (статичних зарядів двох електродів) сіловозбудітелямі, причому мірою сили Р є електрична величина (струм, напруга); гідравлічні і пневматичні, в яких сила Р врівноважується тиском відповідно рідини і повітря . Досить часто в ваги використовують два і навіть три способи створення протидіє сили. Остання і сила Р можуть бути прикладені зустрічно, уздовж загальної лінії дії до одного і того ж елементу вимірювальної частини ваг без проміжної передачі (безричажние ваги), або взаємодією за допомогою спец. передавального механізму (ваги важелів).
Основні метрологічні характеристики ваги, прийняті в аналітичній хімії: правильність (точність, вірність) - ступінь наближення абсолютного значення маси зважується тіла за показаннями ваги до її дійсному (істинного) значенням; відтворюваність (розкид, варіація) - розбіжність свідчень ваги при неодноразовому зважуванні одного і того ж тіла. Чисельно ці характеристики визначають величиною похибки, яка не повинна перевищувати допустимих значень, встановлених для ваг різних типів і призначень міжнародними та національними стандартами. Розрізняють основну похибку (при нормувальних оточуючих умовах), додаткову похибка (через зміни температури, тиску і т.п.) і їх складові - систематичну похибку (наприклад, внаслідок неправильного співвідношення плечей важелів) і випадкову (викликається, наприклад, тертям в опорах). Остання визначається для конкретного типу ваги в цілому (табл. 1 і 2) величиною середнього квадратичного, або стандартного, відхилення

при числі зважувань
), А для кожних ваги - наближеною оцінкою s стандартного відхилення

при обмеженому і, наприклад 2, 5, 10. Тут Мi-значення маси тіла при окремих зважуваннях,

величина s-визначальна характеристика ваги при досить великому числі хімічних аналізів.
Др. важливі характеристики: найбільша границя зважування Ммакс-найбільша маса тіла, яке може бути зважене на даних ваги зі встановленою для них точністю; діапазон безпосереднього відліку показань за шкалою (ДНОП) - в його межах переважно визначають зміст компонентів при хімічних аналізах; ціна ділення - значення одного поділу шкали або одиниці молодшого розряду відлікового пристрою, виражене в одиницях маси; роздільна здатність - характеризує точність відліку показань ваг (зазвичай одиниця молодшого розряду цифрового відлікового пристрою, а також 0,5, 0,05 або 0,01 ціни поділки шкали відповідає без ноніуса і з ноніусом). Для сумарної метрологічної оцінки точності застосовується узагальнений показник - клас точності (відповідає класу точності гир), що визначає правильне співвідношення між допустимої похибкою показань, ціною поділки, роздільною здатністю,
, Ммакс і ДНОП.
Основні експлуатаційні характеристики ваг: незалежність показань від зовнішніх впливів і від точності установки; витрати праці і часу на підготовку до роботи, проведення вимірювань, обробку і представлення результатів у необхідній формі; ступінь автоматизації зважувань і діагностики стану; здатність до розширення функціональних можливостей шляхом приєднання до уніфікованих обчислювальних пристроїв, дисплеям, контролерам і т.п., а також до різних камерах для проведення спеціальних досліджень (див. нижче).
Розрізняють ваги зразкові (для повірки та атестації гир), лабораторні, технологічні, загального призначення (наприклад, для торговельних, складських та транспортних операцій) і побутові. Головні тенденції розвитку сучасні ваги: вдосконалення традиційних конструкцій і створення перспективних типів і моделей на основі врівноважують пристроїв, що дають інформацію в формі стандартних аналогових або цифрових електричних сигналів, із застосуванням електроніки, обчислювальної і мікропроцесорної техніки.
У даній статті розглянуті найважливіші типи лабораторних і технологічних ваг, що застосовуються в хімічних лабораторіях, хімічних і суміжних галузях промисловості, медицині і сільському господарстві (в агрохімічних лабораторіях).
Лабораторні ваги. Для зручності класифікації традиційно розрізняють ваги: аналітичної групи (аналітичні полумікроаналітіческіе., мікроаналітичні, ультрамікроаналітіческіе), Загальнолабораторні, або технічні, - для технічних аналізів, зважування хімічних реактивів і інші, спеціальні - для досліджень при зниженому тиску (вакуумні ваги), зміни маси тіл при високих і низьких температурах (термогравіметричні ваги), гранулометрії, складу матеріалів з реєстрацією зміни маси опадів у часі (седиментаційних ваги), для роботи в агресивних середовищах, в атмосфері інертних газів, в присутності вибухонебезпечних речовин і т.п., а також для зважування дорогоцінних металів і каменів (пробірні ваги). В останні десятиліття відбулися капітальні зміни як в конструкціях, так і в парку всіх лабораторних ваг (див. Табл. 1-2). Виходять з ужитку експлуатувалися з кінця 40-х-початку 60-х рр. прості двохчашкові равноплечних ваги з трехпрізменним коромислом (важелем) без заспокоювачів, Рейтерна (рейтер - дротова гіря- "наїзник" масою 1, 5 або 10 мг, яка переміщується оператором уздовж шкали на коромислі) і неіменованого (без фіксованої ціни ділення) відліковими шкалами. Основні недоліки таких ваги: незручність роботи (необхідність обчислювати положення рівноваги, відраховуючи амплітуди відхилень стрілки при коливаннях коромисла), необхідність застосування методів точного зважування для виключення похибки через неравноплечності коромисла і урахування похибки гир, низька продуктивність (одне зважування за 3-6 хв) і ін.
Табл. 1.-ОСНОВНІ ХАРАКТЕРИСТИКИ ТИПОВИХ лабораторних ваг АНАЛІТИЧНОЇ ГРУПИ

Табл. 2.-ОСНОВНІ ХАРАКТЕРИСТИКИ ТИПОВИХ общелабораторного ВАГІВ

На зміну простим ваги прийшли равноплечних ваги з заспокоювачами (зазвичай повітряними), вбудованими гирями і іменованими проекційними шкалами (рис. 1). Вони мають, як і прості ваги, коромисло з однієї опорної і двома вантажо-приймальній призмами, до яких за допомогою подушок і сережок підвішені вантажоприймальні чашки (площадки), траверси для вбудованих міліграмових гир (ваги аналітичної групи з комплектом гирь до повного навантаження не набули поширення). Коромисло виготовлено з алюмінієвого сплаву або чавуну, призми і подушки - з агату, корунду або високоміцної сталі. Для зменшення зносу і попередження поломок призм і подушок ваги обладнуються аретиром, що обмежує амплітуду коливань коромисла, і ізолюють, за допомогою якого призми відокремлюються від подушок. Застосування вбудованих гир не тільки спрощує і прискорює зважування, але і сприяє підвищенню точності ваги, оскільки похибки гир внаслідок їх малості не враховуються. Спеціально іменована шкала, зображення якої проектується на матовий екран оптичною системою ваг, дозволяє зменшити кут відхилення коромисла, розширити ДНОП, підвищити точність відліку, використовуючи ноніус, і виключає необхідність у визначенні ціни ділення при зважуванні різних по масі тел. Ці ваги продуктивніше простих равноплечних (одне зважування за 1-3 хв), однак і при роботі на них часто доводиться застосовувати методи точного зважування і враховувати похибки гир з наборів.

Мал. I. равноплечних трехпрізменние лабораторні ваги аналітичної групи: 1-коромисло; 2-заспокоювач; 3-рукоятки механізму накладення вбудованих гирь з оцифрованими лімба; 4-екран із зображенням проекційної шкали; 5-грузоприемная чашка; 6-колонка; 7-рукоятка аретира-ізолюють.
Подальше вдосконалення Гірне ваг досягнуто завдяки переходу на початку 60-х рр. від равноплечних ваги до одноплечним, або одночашечним, двухпрізменних (рис. 2), принцип дії яких був запропонований Д. І. Менделєєвим. На коромислі ваги закріплені опорна і грузоприемная призми. До останньої, крім чашки для зважується тіла, підвішені траверси з повним комплектом вбудованих грамових і міліграмових гир, маса яких дорівнює Ммакс. Для врівноваження коромисла з чашкою і гирями на його протилежному кінці закріплений вантаж-противага. При приміщенні на чашку зважується тіла для врівноваження коромисла з траверси знімають гирі, маса яких з точністю до половини ДНОП відповідає масі тіла. У цих ваги виключена похибка через неравноплечності коромисла, не враховуються похибки вбудованих гирь, а тіла різної маси зважуються при одній і тій же навантаженні на коромисло, що підвищує точність вимірювань. Для прискорення підбору гир застосовують попереднє (грубе) зважування за допомогою вхідного, як правило, в комплект ваги спеціального пристрою - важеля, розташованого під коромислом і спирається на пружину (на малюнку не показаний). тривалість одного зважування на таких ваги становить бл. 60 с.

Мал. 2. Одноплечние двопризменні лабораторні ваги аналітичної групи: 1-коромисло; 2-противагу; 3-заспокоювач; 4-проекц. шкала; 5-траверса; 6-вбудовані гирі; 7-сережка; 8 - грузоприемная чашка; 9, 10 - відповідно опорні і вантажоприймальні призми і подушки; 11-колонка; 12- рукоятка аретира-ізолюють.
У кращих моделях двухпрізменних аналітичні ваги автоматизовані арретірованія і разарретірованіе коромисла, забезпечується плавне зіткнення призм і подушок, передбачені можливість компенсації тарної навантаження і дрейф (зміщення) нуля в ДНОП по проекційної шкалою. У мікроаналітичних вагах, крім того, автоматизовано накладення-зняття вбудованих гирь (що виключає необхідність в попередньому зважуванні) і є пристрій, що дозволяє виносити чашку з вітрини ваги для зручності накладання та видалення зважується тіла; цей пристрій зблоковане з механізмом відкривання і закривання вітрини. Підвищення точності таких автоматизованих ваг досягається зменшенням сумарної похибки всіх вбудованих гирь до ± 0,1 мг (аналітичні ваги) або суми гир кожної декади, напр. 10-100 мг або 1-10г, до ± 0,006 мг (мікроаналітичні ваги), а також зниженням
при одночасному розширенні ДНОП. тривалість одного зважування на ваги цих типів 20-30 с.
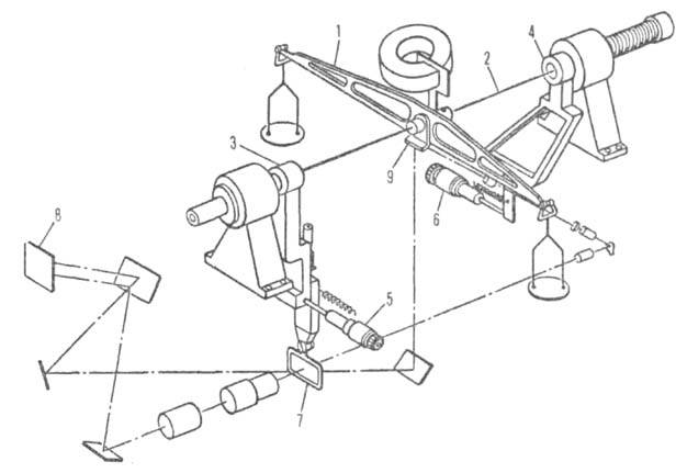
Розвиток общелабораторного ваг на відміну від ваг аналітичної групи, дія яких заснована тільки на компенсаційному методі, пов'язане з переходом на початку 60-х рр. на прямий метод вимірювань. Равноплечних коромисло в таких вагах замінено двухпрізменних важелем з низьким по відношенню до точки опори розташуванням центру тяжіння - квадрантом (рис. 3), при відхиленні якого від початкового положення рівноваги під дією сили тяжіння, що зважується тіла виникає урівноважує сила. Прямий метод вимірювань дозволяє збільшити ДНОП до 30% і навіть до 50% від Ммакс і використовувати всього одну або дві вбудовані гирі, які накладаються і знімаються рукояткою, виведеної з кожуха ваг.
Підвищення роздільної здатності квадрантних ваг сприяє застосування проекційної шкали і оптичного ноніуса. Зменшення впливу неточною установки ваг за рівнем досягається розміщенням об'єктива оптичної системи відлікового пристрою на допоміжному важелі-маятнику. Для скорочення тривалості загасання коливань коромисла і важеля на них закріплені екрани магнітного успокоителя. Тарна навантаження компенсується пружиною (на рис. Не показана), один кінець якої пов'язаний зі стійкою, що несе вантажоприймальну майданчик, а інший - з підставою ваги

Мал. 3. квадрантная Загальнолабораторні ваги: 1-квадрант; 2-вантаж-противага; 3-заспокоювач; 4-стійка; 5-вбудована гиря; 6-грузоприемная майданчик; 7-проекційна шкала; 8-екран (пунктир-напрям променів світла оптичної системи).
Сучасний етап розвитку лабораторних ваг, що відрізняються порівняно невеликим швидкодією і значною сприйнятливістю до зовнішніх впливів, характеризується зростаючим застосуванням в них для створення врівноважує сили (моменту) електричних сіловозбудітелей з електронною системою автоматичного регулювання (САР), що забезпечує повернення вимірювальної частини ваг в початкове положення рівноваги. САР електронних лаб. ваги (рис. 4) включає датчик, наприклад, у вигляді диференціального трансформатора; сердечник його закріплений на вимірювальної частини і переміщається в змонтованої на підставі ваги котушці з двома обмотками, вихідна напруга яких подається в електронний блок. Застосовують також датчики у вигляді електронно-оптичного пристрою з дзеркалом на вимірювальної частини, направляють промінь світла на диференційний фотоелемент, приєднаний до електронного блоку. При відхиленні вимірювальної частини ваги від вихідного положення рівноваги взаємне положення елементів датчика змінюється, і на виході електронного блоку з'являється сигнал, що містить інформацію про направлення і величиною відхилення. Цей сигнал посилюється і перетворюється електронним блоком в ток, який подається в котушку сіловозбудітеля, закріплену на підставі ваги і взаємодії з постійним магнітом на їх вимірювальної частини. Остання завдяки виникає протидіє силі повертається у вихідне положення. Струм в котушці сіловозбудітеля вимірюється цифровим мікроамперметром, переписати в одиницях маси. В електронних вагах з верхнім розташуванням вантажо-приймальній чашки використовується аналогічна схема автоматичного врівноваження, але постійний магніт сіловозбудітеля змонтований на стрижні, що несе чашку (електронно-безричажние ваги) або пов'язаний з цим стрижнем важелем (електронно-ваги важелів).

Мал. 4. Принципова схема електронних лаб. ваг: 1 -датчик; 2-сердечник; 3, 5-соотвеси котушки датчика і сіловозбудітеля; 4-сіловозбудітель; 6-постійний магніт; 7-стрижень; 8-грузоприемная чашка; 9-електронний блок; 10-джерело живлення; 11-цифровий відліковий пристрій.
У порівнянні з лабораторними вагами традиційних типів електронні ваги характеризуються великими функціональними можливостями. Крім того, ці ваги мають дуже високими метрологічними і експлуатаційними показниками завдяки застосуванню в них мікропроцесорних і обчислювальних блоків. Останні або вбудовують в ваги (блоки управління підготовкою ваги до роботи, контролю і діагностики несправностей, автоматичної корекції при зміні зовн. Умов), або під'єднують до ваг у вигляді спеціальних приставок в міру необхідності (блоки обробки, реєстрації, виведення даних і управління роботою при серійних типових аналізах, а також спільного управління вагами і спеціальними камерами при дослідженнях в умовах, що змінюються за програмою зовнішніх умовах).
Електронні ваги автоматично готуються до зважування натісканням на кнопку або педаль управління. При цьом на вімірювальну часть ваг накладається вбудована контрольна гиря. Якщо створювана нею навантаження не відповідає показанням ваги, автоматично вводяться поправки, що враховують температуру повітря , Дрейф нуля, різницю значень
соответствено в місцях вихідної градуювання і експлуатації ваги, а також похибки їх установки по рівню. Підготовку ваг, яка триває всього кілька секунд, можна повторювати в ході роботи, усуваючи кожен раз вплив поточних змін зовнішніх впливів. Така підготовка ваги, поряд з підвищенням швидкодії і точності вимірювань, сприяє зниженню вимог до умов застосування ваги (наприклад, діапазон робочих температур в кращих моделях розширено до 10-40 ° С).
Електронні ваги з мікропроцесорними і обчислювальними блоками мають більшу, ніж механічні ваги, стійкістю до коливань підстави. Мікропроцесорний пристрій багаторазово вимірює струм в котушці сіловозбудітеля і обчислює осредненное значення маси, практично вільний від перешкод, що викликаються малими коливаннями підстави, а при великих коливаннях виробляє попереджувальний сигнал. Оптимальний час осереднення (зазвичай 1 -2 с) встановлюється лаборантом, а на кращих моделях розраховується і встановлюється автоматично. В результаті тривалість зважування в ДНОП, рівному, як правило, Ммакс, на електронних аналітичних і мікроаналітичних ваг не перевищує 3-5 с, а на общелабораторного 1-3 с.
Всі електронні ваги мають аналоговий і цифровий вихід зі стандартними сигналами, що дозволяє підключати їх без спеціальних узгоджувальних блоків (інтерфейсів) до обчислювальних і цифродрукуючий пристроїв, дисплеям, Графобудівники, контролерам, службовцям для автоматичного програмного керування ваги В пам'ять мікропроцесорного блоку, вбудованого в ваги, закладені постійні програми: підготовки до роботи, перевірки на функціонування, компенсації тарної навантаження в ДНОП, діагностики причин відмов. Крім цього, до ваги може бути підключений блок програмного керування і обробки даних з банком типових програм (напр., Для приготування розчинів заданого складу і сумарної маси, визначення щільності і вологості зразків). Передбачається також можливість швидкого встановлення на електронних ваги камер для спеціальних досліджень, підвіски через отвори в днищі корпусу вантажоприймальних чашок в ваги з їх верхнім розташуванням і т.п.
Мало змінилися конструктивно і продовжують застосовуватися для ультрамікроаналізу крутильні ваги, а для попереднього зважування малих кількостей зразків, технічних і виробничих аналізів - торзионная ультрамікровеси.
У крутільноравноплечних ультрамікровесах (рис. 5) коромисло підвішено на горизонтальній кварцовою або металевої нитки-розтяжці, яка натягнута між двома поворотними втулками і служить одночасно віссю коромисла і пружним вимірювальним елементом. При визначенні маси або зміни її значень в межах ДНОП врівноважує момент створюється закручуванням пружною нитки, а показання ваги зчитуються з лимбов, пов'язаних з передньою рукояткою. для зважування тел, маса яких перевищує ДНОП, використовують міліграмових гирі.

Мал. 5. Крутільноравноплечние лабораторні ваги: 1-коромисло; 2-нить-розтяжка; 3, 4-втулки; 5, 6-рукоятки; 7-проекц. шкала; 8-екран; 9-дзеркало.
Торзионная ультрамікровеси відрізняються від крутильних тим, що коромисло закріплено на осі, що спирається на прецизійні підшипники, а пружним вимірювальним елементом служить спіральна пружина. Ці ваги випускаються з Ммакс, рівним 20, 200 і 1000 мг, і мають ціну поділки відповідно 0,05, 0,2 і 1 мг; похибка визначення маси та а не перевищують ціни ділення.
Технологічні ваги. Служать складовою частиною обладнання різних хіміко-технол. ліній. Розрізняють ваги: загального призначення (платформні, циферблатні, вагонні, автомобільні); спеціальні - дискретного (порційні ваги) і безперервного (конвеєрні ваги) дії; електронні вагові пристрої; дозуючі пристрої (див. Дозатори). Крім того, в якості технологічних ваг використовують іноді лабораторні ваги, наприклад Загальнолабораторні з верхнім розташуванням вантажо-приймальній майданчика.
Порціонні ваги підрозділяють на безтарних, розфасовувальні і пакувальні. Безтарних ваги (рис. 6) мають зазвичай здвоєний равноплечних коромисло, між паралельними частинами якого підвішені на одному кінці вантажо-приймальній ківш, на іншому - майданчик для гир. Рідини надходять в ківш по трубопроводах; спорожнення ковша проводиться його перекиданням або через донний клапан. Сипучі матеріали подаються в ківш гравітаційними, стрічковими і ін. Живильниками, які мають керовані заслінки або засувки для забезпечення відповідного режиму та повного припинення подачі матеріалу в ківш. Живильники вмикаються і вимикаються автоматично. Включення їх здійснюється, коли під дією моменту сили тяжіння гир порожній ківш піднімається у верхнє положення, або за командою системи управління хіміко-технологічною лінією при використанні ваг для фасування та пакування матеріалу. У міру заповнення ковша коромисло наближається до горизонтального положення, при досягненні якого живильник відключається і надходження матеріалу в ківш припиняється.

Мал. 6. Автоматичні порційні ваги: 1-здвоєне коромисло; 2-ківш; 3-гиредержатель; 4-гравитац. живильник; 5-заслінка; 6-дно; 7-запірний механізм; 8-противага.
Для підвищення точності зважування і забезпечення одночасно режиму високої продуктивності більшість порційних ваги обладнають дворежимними живильниками. При наближенні коромисла впритул до горизонтального положення живильник автоматично перемикається на режим досипання матеріалу. При цьому похибка зважування знижується через зменшення динамічного впливу на ваги струменя матеріалу. Управління ваги, в тому числі відкривання дна або нахил ковша для його спорожнення, здійснюється системою важеля, що приводиться в дію моментом сили тяжіння матеріалу в ковші або електромеханічної системою, яка включає дискретні або аналогові датчики положення коромисла і виконавчі (зазвичай електропневматичні) механізми.
В хіміко-технологічних лініях з програмним управлінням при необхідності частої зміни маси схилів використовують порційні ваги з вантажоприймальним ковшем, підвішеним на системі важелів, пов'язаних з уравновешивающим квадрантним пристроєм, обладнаним датчиками, які взаємодіють зі стрілкою. Все ширше застосовують також ваги з уравновешивающим пристроєм у вигляді спеціальних силовимірювача (див. Нижче). Маса порцій матеріалу на ваги з дискретними датчиками задається їх перестановкою, а на ваги з аналоговими датчиками або силовимірювача - за допомогою електричного задатчика маси. Команда на включення живильника подається, коли стрілка ваги знаходиться на нульовій позначці, а команди на зміну режиму і припинення подачі матеріалу - при проходженні стрілки повз дискретних датчиків. На ваги з аналоговим датчиком положення стрілки і на ваги з силовимірювача ці команди виробляються за однакової кількості вихідних сигналів датчиків і задатчика.
При роботі на ваги для відважування сипучих матеріалів в тару, наприклад в мішки, останні закріплюються захопленням на коромислі і служать ковшем "разового застосування", в який матеріал відважується так само, як в звичайний ківш. Коробки або тару для рідин встановлюють на вантажо-приймальній платформі електронних ваги (наприклад, по типу общелабораторного) або на платформі циферблатних ваги з відповідним Ммакс. Останній для порційних ваги складає від часток грама (наприклад, на технологічних лініях для виготовлення лікарських препаратів у вигляді таблеток) до кількох тонн при продуктивності відповідно від десятків схилів до одного схилу в 1 хв; відносна похибка 0,1-2,0%.
Порціонні ваги для зважування крупнокускових матеріалів обладнані спец. вимірником з лічильником "переважили", підраховують їх сумарну масу.
Конвеєрні (стрічкові) ваги застосовують головним чином для сумарного обліку масових сипучих матеріалів (напр., Колчедана), а також при завантаженні такими матеріалами залізничних вагонів, автомашин і суден-сухогрузовеси ваги, вбудовані в стрічковий транспортер (рис. 7), мають чутливу систему у вигляді рами, на якій змонтовані роликоопори для стрічки транспортера. Навантаження на уравновешивающее пристрій визначається за допомогою силовимірювача в основному з електричним вихідним сигналом, пропорційним миттєвому значенню погонного навантаження на стрічку (тобто силі тяжіння, що створюється матеріалом на ділянці стрічки, що впливає на раму ваги, віднесеної до довжини цієї ділянки). Сигнал подається на вхід електронного блоку, до якого приєднаний також тахометр, що приводиться в обертання стрічкою транспортера. У блоці змонтована схема множення сигналів врівноважує пристрої і тахометра, вихідний сигнал якої пропорційний масовій витраті, тобто продуктивності транспортера. Сигнал надходить на стрілочний покажчик продуктивності і далі на лічильник, що показує кількість матеріалу, що пройшов через транспортер за певний час. Ця інформація може бути крім того, введена в ЕОМ або цифродрукуючий пристрій.

Мал. 7. Електромеханічні конвеєрні ваги: 1 стрічковий транспортер; 2-рама вантажопідйомного пристрою; 3, 5 - роликоопори; 4 - тензорезисторний силовимірювача; 6 - датчик тахометра; 7 - підсилювач; 8-електронний блок з цифровим індикатором.
Для рівномірного розподілу матеріалу, наприклад при завантаженні вагонів, застосовують пристрій, в якому транспортер цілком змонтований на ваги (конвеєрні ваги з власним транспортером). Продуктивність різних конвеєрних ваг становить від кількох кілограмів до сотень тонн; відносна похибка 0,5-2,0%.
Електронні вагові пристрої (рис. 8), що вбудовуються безпосередньо в технологічне обладнання, складаються з одного або кілька силовимірювача (датчиків) і електронного блоку. У тензорезисторних датчиках деформації пружного вимірювальних елемента перетворюються в електричний сигнал за допомогою тензорезисторів з металевої (дротяної або фольговій) гратами з спец. сплаву або у вигляді смужок з напівпровідникового матеріалу. Тензорезистори приклеєні або приварені до пружним елементам так, що деформуються разом з ними. При цьому електричний опір тензорезисторів з металевими гратами змінюється на 2-3%, а напівпровідникових - на 100% і більше. Граничні навантаження складають від часткою кілограма до 100 т і більше, відносна похибка 0,02-1% від граничного навантаження.

Мал. 8. Електронне вагове пристрій: 1 - зважувати ємність; 2-силовимірювачі; 3 - підсилювач; 4-електронний блок з цифровим індикатором.
Магнитоупругие (магнітострикційні) силовимірювачі - трансформатори з перехресними обмотками, що проходять через отвори сердечника. Останній виготовлений з матеріалу, магнітні властивості якого змінюються під впливом механічного навантаження, що викликає зміна напруги, що наводиться у вторинній обмотці при харчуванні первинної змінною напругою від стабілізованого джерела. Граничні навантаження знаходяться в межах від десятків кілограмів до кількох сотень тонн, відносна похибка 0,5-2% від граничного навантаження.
Вібраційні силовимірювачі засновані на зміні власної частоти коливань пружного елемента струни або стрижня при зміні прикладеної до них навантаження. Для підвищення точності визначається зміна власної частоти робочого елемента по відношенню до контрольного, на який впливає незмінна навантаження, наприклад вбудована гиря. Віброструнние силовідтворювальні елементи випускають для граничних навантажень від одного до декількох десятків кілограмів, а вібростержневие - від декількох кілограмів до десятків тонн; відносна похибка 0,01-0,2% від граничного навантаження.
Силовимірювачі вбудовують в ваги і технологічне обладнання в якості опор або підвісок, що підтримують вантажопідйомний пристрій. Для виключення похибок, що викликаються неосевим додатком навантаження, перекосами і т. П., Використовують так звані вузли встройки (прив'язки), що забезпечують самоустановку силовимірювача уздовж лінії дії сил. Електронний блок підсумовує сигнали силовимірювача (коли вантажопідйомний пристрій має кілька опор), вводить поправки на вплив навколишнього середовища, при необхідності перетворення сигналів в керуючі команди порівнює вимірювану навантаження із заданою. Крім виведення інформації на відліковий пристрій передбачається, як правило, можливість приєднання електронного блоку до зовн. Пристроїв уявлення і реєстрації інформації та до ЕОМ.
Літ. см. при ст. Зважування. С. С. Щедровицький, Ю. М. Сергієнко.
Copyleft © 2017 . www.sundao.com.ua Йога в Украине